Stainless Steel Swing Type Check Valve, NPS 1/2, 150 LB, RF Flanged

Stainless Steel Swing Type Check Valve, NPS 1/2, 150 LB, RF Flanged

Key Specifications / Features

Model No.: Hits: 12

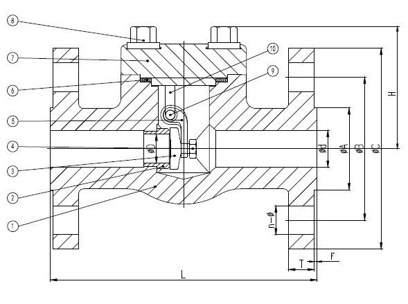
China 1/2 Inch Check Valve Manufacturer Wholesales Stainless Steel Swing Type Check Valve, ASTM A105N Body/Bonnet, NPS 1/2 Inch, 150 LB, RF Flanged.

Request a quote

Detail Information

Type: Stainless Steel Swing Type Check Valve.
Body/Bonnet Material: ASTM A105N.
Disc Material: ASTM A276-420
Spring Material: SS304
Gasket Material: 304+Graphite
Valve Size: NPS 1/2 (Inch).
Applicable Pressure Rating: Class 150 LB.
Molding Style: Forging.

Connection: RF Flanged
Swing Type
Bolted Bonnet
Design & manufacture according to API 602, ASME B16.34
End Connection according to ASME B16.5 (RF, RTJ)
Test & inspection according to API 598

Stainless Steel Swing Type Check Valve, NPS 1/2, 150 LB, RF Flanged
 

 

Comment Form
Name*
E-mail*
Rate*
Comments*

Similar Products